Yalong Liangshan Bridge
Yalong Liangshan Bridge
雅砻江大桥
Xichang, Sichuan, China
(1,575) feet high / (480) meters high
3,937 foot span / 1,200 meter span
2026
The Yalong Liangshan Bridge is one of 3 major suspension bridges along the amazing G7611 Xichang to Shangri Expressway in Sichuan Province. The expressway eventually goes to the popular Lugu Lake tourist area with a future extension that will eventually go all the way to Shangri-La. Reports have a suspension design with few approach spans and a large main span with a configuration of 3x50 +1,200 +3x42 meters with a cable sag ratio of 9:1. The span is located at kilometer AK19.
The deck is approximately 462 meters above the full reservoir surface with approximately 20 more meters of height below the reservoir. The huge reservoir was formed by the building of Ertan Dam which was the tallest in China at 240 meters when it was completed in 1999.
The two other suspension bridges along the G7611 expressway hold unique world records with the giant Woluohe Bridge being the longest span high level bridge in the world at 1,680 meters. The Litanghe Bridge is the world's largest towerless suspension bridge with a main span of 696 meters.
Image by Eric Sakowski / HighestBridges.com
Image by Eric Sakowski / HighestBridges.com
Image by Eric Sakowski / HighestBridges.com
Image by Eric Sakowski / HighestBridges.com
Image by Eric Sakowski / HighestBridges.com
Image by Eric Sakowski / HighestBridges.com
Image by Eric Sakowski / HighestBridges.com
Image by Eric Sakowski / HighestBridges.com
Image by Eric Sakowski / HighestBridges.com
Image by Eric Sakowski / HighestBridges.com
Image by Eric Sakowski / HighestBridges.com
Image by Eric Sakowski / HighestBridges.com
Image by Eric Sakowski / HighestBridges.com
Image by Eric Sakowski / HighestBridges.com
Image by Eric Sakowski / HighestBridges.com
Image by Eric Sakowski / HighestBridges.com
Image by Eric Sakowski / HighestBridges.com
Image by Eric Sakowski / HighestBridges.com
Image by Eric Sakowski / HighestBridges.com
Image by Eric Sakowski / HighestBridges.com
Image by Eric Sakowski / HighestBridges.com
Image by Eric Sakowski / HighestBridges.com
Image by Eric Sakowski / HighestBridges.com
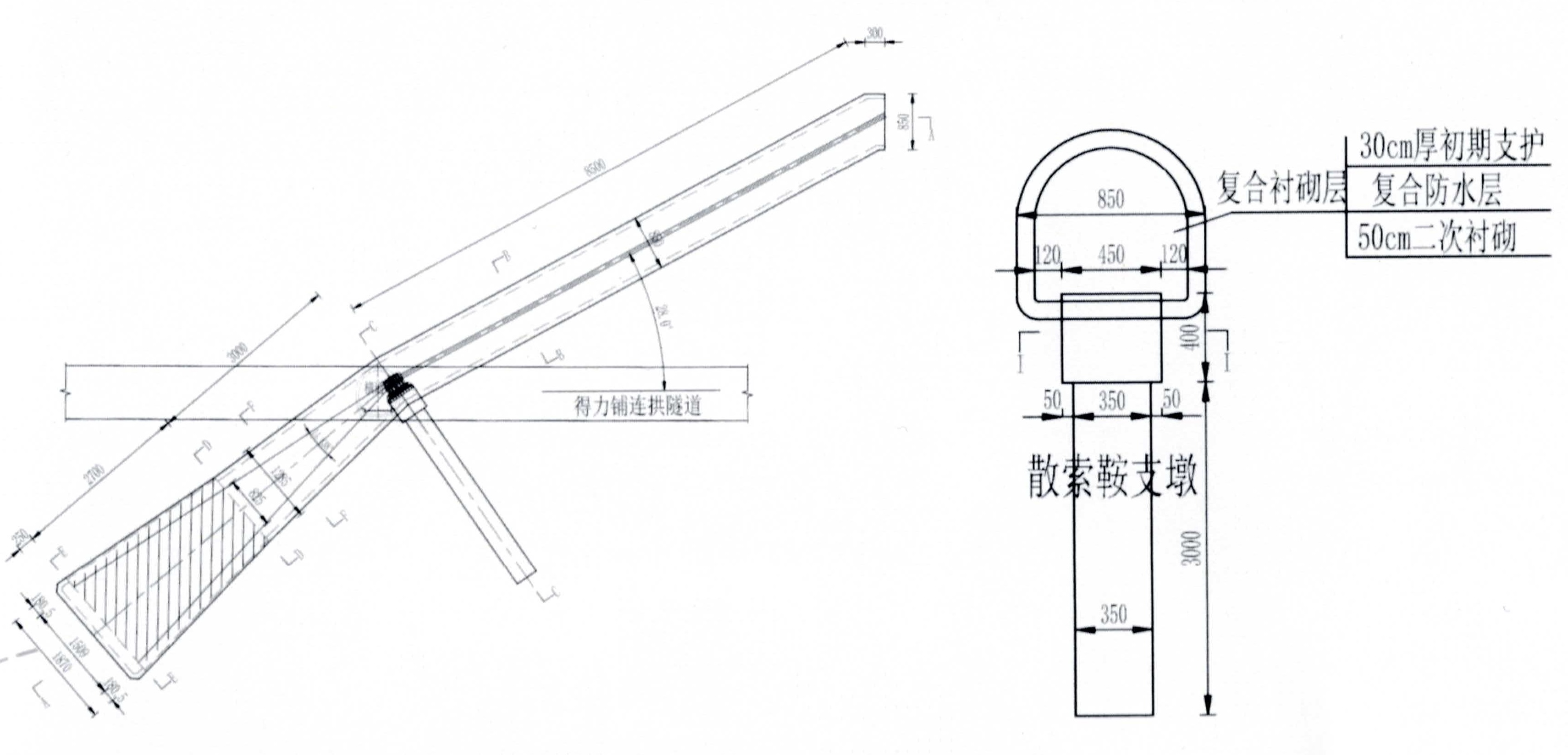
An early Yalong Bridge design with a much smaller main span of around 800 meters.
Yalong Liangshan Bridge satellite image.
Yalong Liangshan Bridge location map.



















